146 - INSTALATIA DE INCALZIRE SI VENTILATIE A CABINEI 50.86.001 - Catalog electronic U-445 | UTB-SHOP.RO

Catalog UTB U-445

INSTALATIA DE INCALZIRE SI VENTILATIE A CABINEI 50.86.001

Exemple: ambreiaj/pompa/arbore/filtru/injector
Categorii catalog
ALTERNATOR 41 AMBREIAJ 32 ARBORE CARDANIC 100A 42.55.026 17 ARBORE MOTOR, AMBREIAJ, VOLANTA 27 ARIPI SI PODELE 40.49.002 26 ARIPI SI PODELE 40.49.004 27 ARIPI SI PODELE 40.49.918 24 ARIPI SI PODELE 41.49.005 22 ARIPI SI PODELE 43.49.001 19 ARIPI SI PODELE 43.49.003 14 ARIPILE DIN FATA 40.49.909 8 BLOCUL CILINDRILOR 113 CABINA DE REZISTENTA 50.84.002 85 CABINA DE REZISTENTA 50.84.006 52 CADRU DE REZISTENTA 40.84.007 7 CADRU DE REZISTENTA 43.84.902 20 CAPAC CUTIE VITEZE 22 CAPAC CUTIE VITEZE 17.3 133 CAPAC CUTIE VITEZE 17.5 29 CAPAC CUTIE VITEZE CU INVERSOR 24 CAPOTAJE 40.47.001; 04.47.001 32 CAPOTAJE 40.47.008; 04.47.002 49 CAPOTAJE 40.47.908 51 CHIULOASA 55 CILINDRU DE COMANDA AL SERVODIRECTIEI 40.33.025 34 COMANDA DIRECTIEI 40.34.002 41 COMANDA MOTORULUI 33 COMENZILE TRACTORULUI 40.35.001 42.35.001 43.35.001 67 COMENZILE TRACTORULUI 40.35.002 42.35.003 43.35.002 62 CUPLA AUTOMATA 40.54.001 33 CUPLA DE REMORCARE FATA CU GREUTATI SUPLIMENTARE 40.27.007 12 CUPLA PENTRU REMORCA MONOAXA 40.62.001 40 CUTIA DE VITEZE 119 CUTIA DE VITEZE 17.3 24 CUTIA DE VITEZE CU INVERSOR 144 DEMAROR 52 DEMAROR - ALTERNATOR - MONTAJ 27 DIFERENTIAL FATA 42.55.063 46 DISC ROATA SPATE 40.31.916 3 DISC ROATA SPATE 40.31.917 7 DISPOZITIV DE REMORCARE FATA 40.27.916 5 DISPOZITIV DE REMORCARE FATA CU APARATOARE 40.27.917 6 DISPOZITIV DE REMORCARE PT CUPLA ROCKINGER 40.27.911 13 DISPOZITIV DE TRACTIUNE 40.27.001 19 DISPOZITIV DE TRACTIUNE 40.27.006 8 DISPOZITIV DE TRACTIUNE 41.27.001 25 DISPOZITIV DE TRACTIUNE DIN FATA 40.27.004 5 DISPOZITIV DE TRACTIUNE PT REMORCA MONOAX 40.27.003 6 DISPOZITIV DE TRACTIUNE SUPLIMENTAR 40.27.005 12 DISPOZITIV DE TRACTIUNE SUPLIMENTAR 43.27.001 10 DISTRIBUITOR HIDRAULIC PRIZA COMANDA PE DREAPTA 40.58.093 33 DISTRIBUITOR HIDRAULIC PRIZA COMANDA PE STANGA 43.58.041 18 FAR ASIMETRIC FI=130-P 20.925; P20.926 22 FAR ASIMETRIC FI=130-P20.852; P20.853 23 FILTRU DE COMBUSTIBIL 9 FILTRU DE COMBUSTIBIL AGLOMERATOR 15 GREUTATE SUPLIMENTARA ROATA FATA 40.76.002 7 GREUTATE SUPLIMENTARA ROATA SPATE 40.76.004 6 INJECTIE - MONTAJ 64 INJECTOR 17 INSTALATIA DE ADMISIE 27 INSTALATIA DE ALIMENTARE 25 INSTALATIA DE EVACUARE 12 INSTALATIA DE EVACUARE 12 INSTALATIA DE EVACUARE 8 INSTALATIA DE FRANARE PNEUMATICA 40.65.003 61 INSTALATIA DE INCALZIRE SI VENTILATIE A CABINEI 50.86.001 47 INSTALATIA DE UNGERE 27 INSTALATIA ELECTRICA 40.37.002; 42.37.001 135 INSTALATIA ELECTRICA 50.37.001 126 INSTALATIA ELECTRICA A CABINEI DE REZISTENTA 50.84.008 52 INSTALATIA HIDRAULICA 40.58.002 41 INSTALATIE ELECTRICA 40.37.906 139 INSTALATIE ELECTRICA 40.37.907 126 INSTALATIE ELECTRICA 40.37.908 126 INSTALATIE ELECTRICA 41.37.001 110 INSTALATIE ELECTRICA 43.37.001 101 INSTALATIE ELECTRICA 43.37.005 117 INSTALATIE ELECTRICA 50.37.008 34 MECANISM HIDRAULIC 40.58.030 133 MONTAJ SERVODIRECTIE 42.33.001 46 MONTAJUL ARCULUI PENTRU FIXAREA TIRANTULUI 2 MONTAJUL CABINEI DE REZISTENTA 15 MONTAJUL CADRULUI DE SIGURANTA 40.84.006 27 MONTAJUL CUPLEI ROCKINGER CU SUPORT 40.27.918 26 MONTAJUL CUTIEI DE SCULE 7 MONTAJUL FRANEI PENTRU REMORCA 3 MONTAJUL JALUZELEI 40.82.001 9 MONTAJUL SERVODIRECTIEI 38 MONTAJUL SERVODIRECTIEI 40.33.003 59 MONTAJUL SERVODIRECTIEI 42.33.001 46 MONTAJUL SERVODIRECTIEI 42.33.003 38 MONTAJUL STINGATORULUI PORTATIV 40.76.008 4 OSIA DIN FATA 70 OSIA DIN FATA 50.30.004 55 OSIA DIN FATA MOTRICA 42.55.001 12 OSIA DIN FATA REGLABILA 50.30.002 55 OSIA MOTOARE FATA 42.55.007 13 OSIA MOTOARE FATA 42.55.065 66 OSIA MOTRICA FATA 42.55.050; 04.55.050 63 OSIA MOTRICA FATA 42.55.070 56 POMPA DE ALIMENTARE 25 POMPA DE APA SI VENTILATORUL 47 POMPA DE INJECTIE DPA CAV 110 POMPA HIDRAULICA PD 10-0 21 POMPA HIDRAULICA PS 4-OS 26 PRIZA DE PUTERE 40.42.002 36 PRIZE HIDRAULICE SUPLIMENTARE 40.58.009 19 PRIZE HIDRAULICE SUPLIMENTARE 40.58.914 5 PUNTEA DIN SPATE SI DIFERENTIAL 119 PUNTEA DIN SPATE SI DIFERENTIAL 91 PUNTEA DIN SPATE SI DIFERENTIAL 110 PUNTEA DIN SPATE SI DIFERENTIAL 91 PUNTEA DIN SPATE SI DIFERENTIAL 121 PUNTEA DIN SPATE SI DIFERENTIAL 111 PUNTEA DIN SPATE SI DIFERENTIAL 102 RADIATOR APA 27 RADIATOR APA - MONTAJ 6 REDUCTORUL OSIEI MOTRICE 42.53.001 32 RIDICATOR HIDRAULIC 40.61.001; 40.61.002 53 RIDICATOR HIDRAULIC 41.61.001 52 RIDICATOR HIDRAULIC 41.61.902 54 RIDICATOR HIDRAULIC 43.61.002 49 ROATA DIRECTOARE 40.31.010 11 ROATA DIRECTOARE 40.31.908 11 ROATA DIRECTOARE 50.31.001 19 ROATA FATA 6.00-16 40.31.003 43.31.004 20 ROATA MOTRICA 43.31.005 8 ROATA MOTRICA 43.31.006 10 ROATA MOTRICA 43.31.007 10 ROATA MOTRICA FATA 12.4-28 14.9-28 15 ROATA MOTRICA FATA 42.31.002 7 ROATA MOTRICA SPATE 22 ROATA MOTRICA SPATE 43.31.003 12 SCAUN SUPLIMENTAR 40.76.017 6 SCAUN SUPLIMENTAR 41.76.001 4 SCAUN SUPLIMENTAR CU CUTIE DE SCULE 41.76.002 8 SCAUNUL CONDUCATORULUI 40.48.002 32 SCAUNUL CONDUCATORULUI 50.48.002 49 SUPAPA DE PRESIUNE 40.33.036 13 TABLOU DE BORD 5140.000; 5141.000 16 TRANSMISIA DE CUREA 40.51.001 42 TRANSMISIA FINALA STANGA 40.25.033 DREAPTA 40.25.004 37 TRANSMISIA FINALA STANGA 42.25.003 DREAPTA 41.25.004 37 TRANSMISIA FINALA STANGA 43.25.003 DREAPTA 43.25.004 37 TRANSMISIA FINALA STANGA DREAPTA 36
Categorii catalog electronic
ALTERNATOR 41 AMBREIAJ 32 ARBORE CARDANIC 100A 42.55.026 17 ARBORE MOTOR, AMBREIAJ, VOLANTA 27 ARIPI SI PODELE 40.49.002 26 ARIPI SI PODELE 40.49.004 27 ARIPI SI PODELE 40.49.918 24 ARIPI SI PODELE 41.49.005 22 ARIPI SI PODELE 43.49.001 19 ARIPI SI PODELE 43.49.003 14 ARIPILE DIN FATA 40.49.909 8 BLOCUL CILINDRILOR 113 CABINA DE REZISTENTA 50.84.002 85 CABINA DE REZISTENTA 50.84.006 52 CADRU DE REZISTENTA 40.84.007 7 CADRU DE REZISTENTA 43.84.902 20 CAPAC CUTIE VITEZE 22 CAPAC CUTIE VITEZE 17.3 133 CAPAC CUTIE VITEZE 17.5 29 CAPAC CUTIE VITEZE CU INVERSOR 24 CAPOTAJE 40.47.001; 04.47.001 32 CAPOTAJE 40.47.008; 04.47.002 49 CAPOTAJE 40.47.908 51 CHIULOASA 55 CILINDRU DE COMANDA AL SERVODIRECTIEI 40.33.025 34 COMANDA DIRECTIEI 40.34.002 41 COMANDA MOTORULUI 33 COMENZILE TRACTORULUI 40.35.001 42.35.001 43.35.001 67 COMENZILE TRACTORULUI 40.35.002 42.35.003 43.35.002 62 CUPLA AUTOMATA 40.54.001 33 CUPLA DE REMORCARE FATA CU GREUTATI SUPLIMENTARE 40.27.007 12 CUPLA PENTRU REMORCA MONOAXA 40.62.001 40 CUTIA DE VITEZE 119 CUTIA DE VITEZE 17.3 24 CUTIA DE VITEZE CU INVERSOR 144 DEMAROR 52 DEMAROR - ALTERNATOR - MONTAJ 27 DIFERENTIAL FATA 42.55.063 46 DISC ROATA SPATE 40.31.916 3 DISC ROATA SPATE 40.31.917 7 DISPOZITIV DE REMORCARE FATA 40.27.916 5 DISPOZITIV DE REMORCARE FATA CU APARATOARE 40.27.917 6 DISPOZITIV DE REMORCARE PT CUPLA ROCKINGER 40.27.911 13 DISPOZITIV DE TRACTIUNE 40.27.001 19 DISPOZITIV DE TRACTIUNE 40.27.006 8 DISPOZITIV DE TRACTIUNE 41.27.001 25 DISPOZITIV DE TRACTIUNE DIN FATA 40.27.004 5 DISPOZITIV DE TRACTIUNE PT REMORCA MONOAX 40.27.003 6 DISPOZITIV DE TRACTIUNE SUPLIMENTAR 40.27.005 12 DISPOZITIV DE TRACTIUNE SUPLIMENTAR 43.27.001 10 DISTRIBUITOR HIDRAULIC PRIZA COMANDA PE DREAPTA 40.58.093 33 DISTRIBUITOR HIDRAULIC PRIZA COMANDA PE STANGA 43.58.041 18 FAR ASIMETRIC FI=130-P 20.925; P20.926 22 FAR ASIMETRIC FI=130-P20.852; P20.853 23 FILTRU DE COMBUSTIBIL 9 FILTRU DE COMBUSTIBIL AGLOMERATOR 15 GREUTATE SUPLIMENTARA ROATA FATA 40.76.002 7 GREUTATE SUPLIMENTARA ROATA SPATE 40.76.004 6 INJECTIE - MONTAJ 64 INJECTOR 17 INSTALATIA DE ADMISIE 27 INSTALATIA DE ALIMENTARE 25 INSTALATIA DE EVACUARE 12 INSTALATIA DE EVACUARE 12 INSTALATIA DE EVACUARE 8 INSTALATIA DE FRANARE PNEUMATICA 40.65.003 61 INSTALATIA DE INCALZIRE SI VENTILATIE A CABINEI 50.86.001 47 INSTALATIA DE UNGERE 27 INSTALATIA ELECTRICA 40.37.002; 42.37.001 135 INSTALATIA ELECTRICA 50.37.001 126 INSTALATIA ELECTRICA A CABINEI DE REZISTENTA 50.84.008 52 INSTALATIA HIDRAULICA 40.58.002 41 INSTALATIE ELECTRICA 40.37.906 139 INSTALATIE ELECTRICA 40.37.907 126 INSTALATIE ELECTRICA 40.37.908 126 INSTALATIE ELECTRICA 41.37.001 110 INSTALATIE ELECTRICA 43.37.001 101 INSTALATIE ELECTRICA 43.37.005 117 INSTALATIE ELECTRICA 50.37.008 34 MECANISM HIDRAULIC 40.58.030 133 MONTAJ SERVODIRECTIE 42.33.001 46 MONTAJUL ARCULUI PENTRU FIXAREA TIRANTULUI 2 MONTAJUL CABINEI DE REZISTENTA 15 MONTAJUL CADRULUI DE SIGURANTA 40.84.006 27 MONTAJUL CUPLEI ROCKINGER CU SUPORT 40.27.918 26 MONTAJUL CUTIEI DE SCULE 7 MONTAJUL FRANEI PENTRU REMORCA 3 MONTAJUL JALUZELEI 40.82.001 9 MONTAJUL SERVODIRECTIEI 38 MONTAJUL SERVODIRECTIEI 40.33.003 59 MONTAJUL SERVODIRECTIEI 42.33.001 46 MONTAJUL SERVODIRECTIEI 42.33.003 38 MONTAJUL STINGATORULUI PORTATIV 40.76.008 4 OSIA DIN FATA 70 OSIA DIN FATA 50.30.004 55 OSIA DIN FATA MOTRICA 42.55.001 12 OSIA DIN FATA REGLABILA 50.30.002 55 OSIA MOTOARE FATA 42.55.007 13 OSIA MOTOARE FATA 42.55.065 66 OSIA MOTRICA FATA 42.55.050; 04.55.050 63 OSIA MOTRICA FATA 42.55.070 56 POMPA DE ALIMENTARE 25 POMPA DE APA SI VENTILATORUL 47 POMPA DE INJECTIE DPA CAV 110 POMPA HIDRAULICA PD 10-0 21 POMPA HIDRAULICA PS 4-OS 26 PRIZA DE PUTERE 40.42.002 36 PRIZE HIDRAULICE SUPLIMENTARE 40.58.009 19 PRIZE HIDRAULICE SUPLIMENTARE 40.58.914 5 PUNTEA DIN SPATE SI DIFERENTIAL 119 PUNTEA DIN SPATE SI DIFERENTIAL 91 PUNTEA DIN SPATE SI DIFERENTIAL 110 PUNTEA DIN SPATE SI DIFERENTIAL 91 PUNTEA DIN SPATE SI DIFERENTIAL 121 PUNTEA DIN SPATE SI DIFERENTIAL 111 PUNTEA DIN SPATE SI DIFERENTIAL 102 RADIATOR APA 27 RADIATOR APA - MONTAJ 6 REDUCTORUL OSIEI MOTRICE 42.53.001 32 RIDICATOR HIDRAULIC 40.61.001; 40.61.002 53 RIDICATOR HIDRAULIC 41.61.001 52 RIDICATOR HIDRAULIC 41.61.902 54 RIDICATOR HIDRAULIC 43.61.002 49 ROATA DIRECTOARE 40.31.010 11 ROATA DIRECTOARE 40.31.908 11 ROATA DIRECTOARE 50.31.001 19 ROATA FATA 6.00-16 40.31.003 43.31.004 20 ROATA MOTRICA 43.31.005 8 ROATA MOTRICA 43.31.006 10 ROATA MOTRICA 43.31.007 10 ROATA MOTRICA FATA 12.4-28 14.9-28 15 ROATA MOTRICA FATA 42.31.002 7 ROATA MOTRICA SPATE 22 ROATA MOTRICA SPATE 43.31.003 12 SCAUN SUPLIMENTAR 40.76.017 6 SCAUN SUPLIMENTAR 41.76.001 4 SCAUN SUPLIMENTAR CU CUTIE DE SCULE 41.76.002 8 SCAUNUL CONDUCATORULUI 40.48.002 32 SCAUNUL CONDUCATORULUI 50.48.002 49 SUPAPA DE PRESIUNE 40.33.036 13 TABLOU DE BORD 5140.000; 5141.000 16 TRANSMISIA DE CUREA 40.51.001 42 TRANSMISIA FINALA STANGA 40.25.033 DREAPTA 40.25.004 37 TRANSMISIA FINALA STANGA 42.25.003 DREAPTA 41.25.004 37 TRANSMISIA FINALA STANGA 43.25.003 DREAPTA 43.25.004 37 TRANSMISIA FINALA STANGA DREAPTA 36
Toate elementele catalogului sunt protejate prin drepturi de autor. Orice copie este strict interzisa.
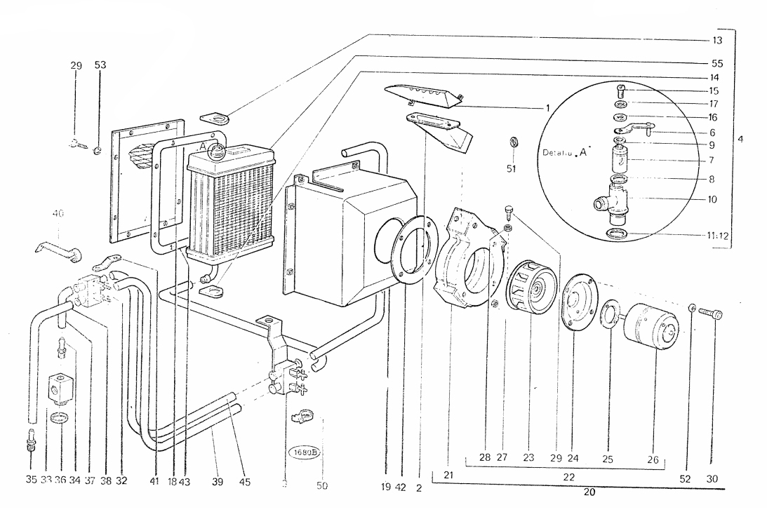
Pozitia Cod Denumire Necesar Optiuni
1 50.86.010 Tub de incalzire 1
2 38.86.012 Conducta de racordare 1
3 50.86.014 Bloc robineti 1
4 38.86.010 Radiator de incalzire complet 1
6 131-81-02-280 Maneta robinetului 1
7 131-81-02-231 Cepul robinetului 1
8 131-81-02-232 Inel garnitura 1
9 131-81-02-233 Saiba limitatoare 1
10 131-81-02-272A Robinet la radiator 1
11 131-81-02-736 Garnitura de reglare 1
12 131-81-02-737 Garnitura de reglare 1
13 38.86.108 Garnitura robinet 1
14 38.86.109 Garnitura racord 1
15 STAS 3169-63 Surub M4x8 1
16 STAS 5200-66 Saiba A 4,3 1
17 STAS 7666-66 Saiba Grower MN4 1
18 38.86.011 Rama 1
19 38.86.020 Carcasa radiator 1
20 38.86.022 Ventilator complet 1
21 38.86.023 Carcasa ventilator 1
22 31.86.019 Ventilator cu electromotor complet 1
23 31.86.022 Ventilator centrifugal 1
24 31.86.130 Suport 1
25 31.86.131 Garnitura de fixare 1
26 M 30.434 Electromotr incalzire tip EA-433 1
27 STAS 4071-69 Piulita M4 2
28 STAS 4071-69 Piulita M6 1
29 STAS 4845-70 Surub M6x16 15
30 STAS 4883-63 Surub M5x10 8
32 38.86.024 Bloc robineti 1
33 50.86.101 Corp intermediar 1
34 50.86.102 Racord aspiratie 1
35 50.86.103 Racord retur 2
36 50.86.104 Rondela de etansare 1
37 50.86.105 Furtun de racordare 1
38 50.86.106 Furtun de racordare 1
39 50.86.118 Furtun de racordare 1
40 50.86.115 Suport furtun 1
41 50.86.107 Suport 1
42 38.806.102 Garnitura 1
43 38.86.103 Garnitura 1
45 50.86.117 Furtun de racordare 1
50 NL 1123-61 Bratara FI=22 15
51 STAS 5200-72 Saiba A6 2
52 STAS 7666-66 Saiba Grower MN5 8
53 STAS 7666-66 Saiba Grower MN6 14
55 594-001 Radiator de incalzire 1
Coș de cumpărături
 
Start Produse Coș 0 Cont Sună
Produsul a fost adăugat în coș


Poate te-ar interesa și: