9 - POMPA DE APA SI VENTILATORUL - Catalog electronic U-445 | UTB-SHOP.RO

Catalog UTB U-445

POMPA DE APA SI VENTILATORUL

Exemple: ambreiaj/pompa/arbore/filtru/injector
Categorii catalog
ALTERNATOR 41 AMBREIAJ 32 ARBORE CARDANIC 100A 42.55.026 17 ARBORE MOTOR, AMBREIAJ, VOLANTA 27 ARIPI SI PODELE 40.49.002 26 ARIPI SI PODELE 40.49.004 27 ARIPI SI PODELE 40.49.918 24 ARIPI SI PODELE 41.49.005 22 ARIPI SI PODELE 43.49.001 19 ARIPI SI PODELE 43.49.003 14 ARIPILE DIN FATA 40.49.909 8 BLOCUL CILINDRILOR 113 CABINA DE REZISTENTA 50.84.002 85 CABINA DE REZISTENTA 50.84.006 52 CADRU DE REZISTENTA 40.84.007 7 CADRU DE REZISTENTA 43.84.902 20 CAPAC CUTIE VITEZE 22 CAPAC CUTIE VITEZE 17.3 133 CAPAC CUTIE VITEZE 17.5 29 CAPAC CUTIE VITEZE CU INVERSOR 24 CAPOTAJE 40.47.001; 04.47.001 32 CAPOTAJE 40.47.008; 04.47.002 49 CAPOTAJE 40.47.908 51 CHIULOASA 55 CILINDRU DE COMANDA AL SERVODIRECTIEI 40.33.025 34 COMANDA DIRECTIEI 40.34.002 41 COMANDA MOTORULUI 33 COMENZILE TRACTORULUI 40.35.001 42.35.001 43.35.001 67 COMENZILE TRACTORULUI 40.35.002 42.35.003 43.35.002 62 CUPLA AUTOMATA 40.54.001 33 CUPLA DE REMORCARE FATA CU GREUTATI SUPLIMENTARE 40.27.007 12 CUPLA PENTRU REMORCA MONOAXA 40.62.001 40 CUTIA DE VITEZE 119 CUTIA DE VITEZE 17.3 24 CUTIA DE VITEZE CU INVERSOR 144 DEMAROR 52 DEMAROR - ALTERNATOR - MONTAJ 27 DIFERENTIAL FATA 42.55.063 46 DISC ROATA SPATE 40.31.916 3 DISC ROATA SPATE 40.31.917 7 DISPOZITIV DE REMORCARE FATA 40.27.916 5 DISPOZITIV DE REMORCARE FATA CU APARATOARE 40.27.917 6 DISPOZITIV DE REMORCARE PT CUPLA ROCKINGER 40.27.911 13 DISPOZITIV DE TRACTIUNE 40.27.001 19 DISPOZITIV DE TRACTIUNE 40.27.006 8 DISPOZITIV DE TRACTIUNE 41.27.001 25 DISPOZITIV DE TRACTIUNE DIN FATA 40.27.004 5 DISPOZITIV DE TRACTIUNE PT REMORCA MONOAX 40.27.003 6 DISPOZITIV DE TRACTIUNE SUPLIMENTAR 40.27.005 12 DISPOZITIV DE TRACTIUNE SUPLIMENTAR 43.27.001 10 DISTRIBUITOR HIDRAULIC PRIZA COMANDA PE DREAPTA 40.58.093 33 DISTRIBUITOR HIDRAULIC PRIZA COMANDA PE STANGA 43.58.041 18 FAR ASIMETRIC FI=130-P 20.925; P20.926 22 FAR ASIMETRIC FI=130-P20.852; P20.853 23 FILTRU DE COMBUSTIBIL 9 FILTRU DE COMBUSTIBIL AGLOMERATOR 15 GREUTATE SUPLIMENTARA ROATA FATA 40.76.002 7 GREUTATE SUPLIMENTARA ROATA SPATE 40.76.004 6 INJECTIE - MONTAJ 64 INJECTOR 17 INSTALATIA DE ADMISIE 27 INSTALATIA DE ALIMENTARE 25 INSTALATIA DE EVACUARE 8 INSTALATIA DE EVACUARE 12 INSTALATIA DE EVACUARE 12 INSTALATIA DE FRANARE PNEUMATICA 40.65.003 61 INSTALATIA DE INCALZIRE SI VENTILATIE A CABINEI 50.86.001 47 INSTALATIA DE UNGERE 27 INSTALATIA ELECTRICA 40.37.002; 42.37.001 135 INSTALATIA ELECTRICA 50.37.001 126 INSTALATIA ELECTRICA A CABINEI DE REZISTENTA 50.84.008 52 INSTALATIA HIDRAULICA 40.58.002 41 INSTALATIE ELECTRICA 40.37.906 139 INSTALATIE ELECTRICA 40.37.907 126 INSTALATIE ELECTRICA 40.37.908 126 INSTALATIE ELECTRICA 41.37.001 110 INSTALATIE ELECTRICA 43.37.001 101 INSTALATIE ELECTRICA 43.37.005 117 INSTALATIE ELECTRICA 50.37.008 34 MECANISM HIDRAULIC 40.58.030 133 MONTAJ SERVODIRECTIE 42.33.001 46 MONTAJUL ARCULUI PENTRU FIXAREA TIRANTULUI 2 MONTAJUL CABINEI DE REZISTENTA 15 MONTAJUL CADRULUI DE SIGURANTA 40.84.006 27 MONTAJUL CUPLEI ROCKINGER CU SUPORT 40.27.918 26 MONTAJUL CUTIEI DE SCULE 7 MONTAJUL FRANEI PENTRU REMORCA 3 MONTAJUL JALUZELEI 40.82.001 9 MONTAJUL SERVODIRECTIEI 38 MONTAJUL SERVODIRECTIEI 40.33.003 59 MONTAJUL SERVODIRECTIEI 42.33.001 46 MONTAJUL SERVODIRECTIEI 42.33.003 38 MONTAJUL STINGATORULUI PORTATIV 40.76.008 4 OSIA DIN FATA 70 OSIA DIN FATA 50.30.004 55 OSIA DIN FATA MOTRICA 42.55.001 12 OSIA DIN FATA REGLABILA 50.30.002 55 OSIA MOTOARE FATA 42.55.007 13 OSIA MOTOARE FATA 42.55.065 66 OSIA MOTRICA FATA 42.55.050; 04.55.050 63 OSIA MOTRICA FATA 42.55.070 56 POMPA DE ALIMENTARE 25 POMPA DE APA SI VENTILATORUL 47 POMPA DE INJECTIE DPA CAV 110 POMPA HIDRAULICA PD 10-0 21 POMPA HIDRAULICA PS 4-OS 26 PRIZA DE PUTERE 40.42.002 36 PRIZE HIDRAULICE SUPLIMENTARE 40.58.009 19 PRIZE HIDRAULICE SUPLIMENTARE 40.58.914 5 PUNTEA DIN SPATE SI DIFERENTIAL 119 PUNTEA DIN SPATE SI DIFERENTIAL 91 PUNTEA DIN SPATE SI DIFERENTIAL 110 PUNTEA DIN SPATE SI DIFERENTIAL 91 PUNTEA DIN SPATE SI DIFERENTIAL 121 PUNTEA DIN SPATE SI DIFERENTIAL 111 PUNTEA DIN SPATE SI DIFERENTIAL 102 RADIATOR APA 27 RADIATOR APA - MONTAJ 6 REDUCTORUL OSIEI MOTRICE 42.53.001 32 RIDICATOR HIDRAULIC 40.61.001; 40.61.002 53 RIDICATOR HIDRAULIC 41.61.001 52 RIDICATOR HIDRAULIC 41.61.902 54 RIDICATOR HIDRAULIC 43.61.002 49 ROATA DIRECTOARE 40.31.010 11 ROATA DIRECTOARE 40.31.908 11 ROATA DIRECTOARE 50.31.001 19 ROATA FATA 6.00-16 40.31.003 43.31.004 20 ROATA MOTRICA 43.31.005 8 ROATA MOTRICA 43.31.006 10 ROATA MOTRICA 43.31.007 10 ROATA MOTRICA FATA 12.4-28 14.9-28 15 ROATA MOTRICA FATA 42.31.002 7 ROATA MOTRICA SPATE 22 ROATA MOTRICA SPATE 43.31.003 12 SCAUN SUPLIMENTAR 40.76.017 6 SCAUN SUPLIMENTAR 41.76.001 4 SCAUN SUPLIMENTAR CU CUTIE DE SCULE 41.76.002 8 SCAUNUL CONDUCATORULUI 40.48.002 32 SCAUNUL CONDUCATORULUI 50.48.002 49 SUPAPA DE PRESIUNE 40.33.036 13 TABLOU DE BORD 5140.000; 5141.000 16 TRANSMISIA DE CUREA 40.51.001 42 TRANSMISIA FINALA STANGA 40.25.033 DREAPTA 40.25.004 37 TRANSMISIA FINALA STANGA 42.25.003 DREAPTA 41.25.004 37 TRANSMISIA FINALA STANGA 43.25.003 DREAPTA 43.25.004 37 TRANSMISIA FINALA STANGA DREAPTA 36
Categorii catalog electronic
ALTERNATOR 41 AMBREIAJ 32 ARBORE CARDANIC 100A 42.55.026 17 ARBORE MOTOR, AMBREIAJ, VOLANTA 27 ARIPI SI PODELE 40.49.002 26 ARIPI SI PODELE 40.49.004 27 ARIPI SI PODELE 40.49.918 24 ARIPI SI PODELE 41.49.005 22 ARIPI SI PODELE 43.49.001 19 ARIPI SI PODELE 43.49.003 14 ARIPILE DIN FATA 40.49.909 8 BLOCUL CILINDRILOR 113 CABINA DE REZISTENTA 50.84.002 85 CABINA DE REZISTENTA 50.84.006 52 CADRU DE REZISTENTA 40.84.007 7 CADRU DE REZISTENTA 43.84.902 20 CAPAC CUTIE VITEZE 22 CAPAC CUTIE VITEZE 17.3 133 CAPAC CUTIE VITEZE 17.5 29 CAPAC CUTIE VITEZE CU INVERSOR 24 CAPOTAJE 40.47.001; 04.47.001 32 CAPOTAJE 40.47.008; 04.47.002 49 CAPOTAJE 40.47.908 51 CHIULOASA 55 CILINDRU DE COMANDA AL SERVODIRECTIEI 40.33.025 34 COMANDA DIRECTIEI 40.34.002 41 COMANDA MOTORULUI 33 COMENZILE TRACTORULUI 40.35.001 42.35.001 43.35.001 67 COMENZILE TRACTORULUI 40.35.002 42.35.003 43.35.002 62 CUPLA AUTOMATA 40.54.001 33 CUPLA DE REMORCARE FATA CU GREUTATI SUPLIMENTARE 40.27.007 12 CUPLA PENTRU REMORCA MONOAXA 40.62.001 40 CUTIA DE VITEZE 119 CUTIA DE VITEZE 17.3 24 CUTIA DE VITEZE CU INVERSOR 144 DEMAROR 52 DEMAROR - ALTERNATOR - MONTAJ 27 DIFERENTIAL FATA 42.55.063 46 DISC ROATA SPATE 40.31.916 3 DISC ROATA SPATE 40.31.917 7 DISPOZITIV DE REMORCARE FATA 40.27.916 5 DISPOZITIV DE REMORCARE FATA CU APARATOARE 40.27.917 6 DISPOZITIV DE REMORCARE PT CUPLA ROCKINGER 40.27.911 13 DISPOZITIV DE TRACTIUNE 40.27.001 19 DISPOZITIV DE TRACTIUNE 40.27.006 8 DISPOZITIV DE TRACTIUNE 41.27.001 25 DISPOZITIV DE TRACTIUNE DIN FATA 40.27.004 5 DISPOZITIV DE TRACTIUNE PT REMORCA MONOAX 40.27.003 6 DISPOZITIV DE TRACTIUNE SUPLIMENTAR 40.27.005 12 DISPOZITIV DE TRACTIUNE SUPLIMENTAR 43.27.001 10 DISTRIBUITOR HIDRAULIC PRIZA COMANDA PE DREAPTA 40.58.093 33 DISTRIBUITOR HIDRAULIC PRIZA COMANDA PE STANGA 43.58.041 18 FAR ASIMETRIC FI=130-P 20.925; P20.926 22 FAR ASIMETRIC FI=130-P20.852; P20.853 23 FILTRU DE COMBUSTIBIL 9 FILTRU DE COMBUSTIBIL AGLOMERATOR 15 GREUTATE SUPLIMENTARA ROATA FATA 40.76.002 7 GREUTATE SUPLIMENTARA ROATA SPATE 40.76.004 6 INJECTIE - MONTAJ 64 INJECTOR 17 INSTALATIA DE ADMISIE 27 INSTALATIA DE ALIMENTARE 25 INSTALATIA DE EVACUARE 8 INSTALATIA DE EVACUARE 12 INSTALATIA DE EVACUARE 12 INSTALATIA DE FRANARE PNEUMATICA 40.65.003 61 INSTALATIA DE INCALZIRE SI VENTILATIE A CABINEI 50.86.001 47 INSTALATIA DE UNGERE 27 INSTALATIA ELECTRICA 40.37.002; 42.37.001 135 INSTALATIA ELECTRICA 50.37.001 126 INSTALATIA ELECTRICA A CABINEI DE REZISTENTA 50.84.008 52 INSTALATIA HIDRAULICA 40.58.002 41 INSTALATIE ELECTRICA 40.37.906 139 INSTALATIE ELECTRICA 40.37.907 126 INSTALATIE ELECTRICA 40.37.908 126 INSTALATIE ELECTRICA 41.37.001 110 INSTALATIE ELECTRICA 43.37.001 101 INSTALATIE ELECTRICA 43.37.005 117 INSTALATIE ELECTRICA 50.37.008 34 MECANISM HIDRAULIC 40.58.030 133 MONTAJ SERVODIRECTIE 42.33.001 46 MONTAJUL ARCULUI PENTRU FIXAREA TIRANTULUI 2 MONTAJUL CABINEI DE REZISTENTA 15 MONTAJUL CADRULUI DE SIGURANTA 40.84.006 27 MONTAJUL CUPLEI ROCKINGER CU SUPORT 40.27.918 26 MONTAJUL CUTIEI DE SCULE 7 MONTAJUL FRANEI PENTRU REMORCA 3 MONTAJUL JALUZELEI 40.82.001 9 MONTAJUL SERVODIRECTIEI 38 MONTAJUL SERVODIRECTIEI 40.33.003 59 MONTAJUL SERVODIRECTIEI 42.33.001 46 MONTAJUL SERVODIRECTIEI 42.33.003 38 MONTAJUL STINGATORULUI PORTATIV 40.76.008 4 OSIA DIN FATA 70 OSIA DIN FATA 50.30.004 55 OSIA DIN FATA MOTRICA 42.55.001 12 OSIA DIN FATA REGLABILA 50.30.002 55 OSIA MOTOARE FATA 42.55.007 13 OSIA MOTOARE FATA 42.55.065 66 OSIA MOTRICA FATA 42.55.050; 04.55.050 63 OSIA MOTRICA FATA 42.55.070 56 POMPA DE ALIMENTARE 25 POMPA DE APA SI VENTILATORUL 47 POMPA DE INJECTIE DPA CAV 110 POMPA HIDRAULICA PD 10-0 21 POMPA HIDRAULICA PS 4-OS 26 PRIZA DE PUTERE 40.42.002 36 PRIZE HIDRAULICE SUPLIMENTARE 40.58.009 19 PRIZE HIDRAULICE SUPLIMENTARE 40.58.914 5 PUNTEA DIN SPATE SI DIFERENTIAL 119 PUNTEA DIN SPATE SI DIFERENTIAL 91 PUNTEA DIN SPATE SI DIFERENTIAL 110 PUNTEA DIN SPATE SI DIFERENTIAL 91 PUNTEA DIN SPATE SI DIFERENTIAL 121 PUNTEA DIN SPATE SI DIFERENTIAL 111 PUNTEA DIN SPATE SI DIFERENTIAL 102 RADIATOR APA 27 RADIATOR APA - MONTAJ 6 REDUCTORUL OSIEI MOTRICE 42.53.001 32 RIDICATOR HIDRAULIC 40.61.001; 40.61.002 53 RIDICATOR HIDRAULIC 41.61.001 52 RIDICATOR HIDRAULIC 41.61.902 54 RIDICATOR HIDRAULIC 43.61.002 49 ROATA DIRECTOARE 40.31.010 11 ROATA DIRECTOARE 40.31.908 11 ROATA DIRECTOARE 50.31.001 19 ROATA FATA 6.00-16 40.31.003 43.31.004 20 ROATA MOTRICA 43.31.005 8 ROATA MOTRICA 43.31.006 10 ROATA MOTRICA 43.31.007 10 ROATA MOTRICA FATA 12.4-28 14.9-28 15 ROATA MOTRICA FATA 42.31.002 7 ROATA MOTRICA SPATE 22 ROATA MOTRICA SPATE 43.31.003 12 SCAUN SUPLIMENTAR 40.76.017 6 SCAUN SUPLIMENTAR 41.76.001 4 SCAUN SUPLIMENTAR CU CUTIE DE SCULE 41.76.002 8 SCAUNUL CONDUCATORULUI 40.48.002 32 SCAUNUL CONDUCATORULUI 50.48.002 49 SUPAPA DE PRESIUNE 40.33.036 13 TABLOU DE BORD 5140.000; 5141.000 16 TRANSMISIA DE CUREA 40.51.001 42 TRANSMISIA FINALA STANGA 40.25.033 DREAPTA 40.25.004 37 TRANSMISIA FINALA STANGA 42.25.003 DREAPTA 41.25.004 37 TRANSMISIA FINALA STANGA 43.25.003 DREAPTA 43.25.004 37 TRANSMISIA FINALA STANGA DREAPTA 36
Toate elementele catalogului sunt protejate prin drepturi de autor. Orice copie este strict interzisa.
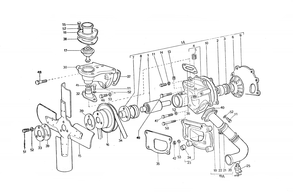
Pozitia Cod Denumire Necesar Optiuni
1A 115.11.010 Pompa de apa asamblata 1
1 115.11.011 Rulmentul pompei de apa 1
2 115.11.012 Garnitura pompei de apa 1
3 115.11.014 Inel de etansare 1
4 115.11.025 Corpul pompei de apa complet 1
5 NUT-PN 107 Dop DC-KM16 2
6 115.11.103 Rotorul pompei 1
7 115.11.104 Flansa ventilatorului 1
8 115.11.105 Aparatoarea rulmentului 1
9 115.11.132 Capacul pompei 1
10 115.11.136 Garnitura 1
11 STAS 4845-70 Surub M8x20 6
13 NUT-PN 131 Stift M8x16 1
14 STAS 7666-66 Saiba Grower MN8 2
15 115.11.016 Ventilatorul 1
16 115.11.017 Fulia ventilatorulul 1
17 154.35-00 Termostat T-400 1
18 115,11.138 Tub 1
19A 115.11.031 Tub de Iegatura complet 1
19 115.11.022 Tub superior 1
20 115.11.032 Tub inferior 1
21 40.13.155 Manson 1
22 NUT-PN 132 Colier FI=50 2
23 115.11.027 Suportul pompei complet 1
24 NUT-PN 7 Dop DCG — 3/4 1
25 115.01.036 Robinet de golire 1
30 115.11.128 Corpul termostatului 1
32 115.11.131 Flansa pompei 1
33 115.11.133 Rondela 1
34 NIl 5200-76 Curea 1143 AV10x8 1
35 115.11.137 Garnitura 2
36 115.11.139 Garnitura 1
37 115,11.140 Garnitura 1
38 115.11.141 Garnitura 1
39 115.11.142 Rondela de reazem 2
40 15.11.143 Ganitura 1
41 115.11.144 Inel de etansare 1
42 115.11.145 Piulita M10x1,25 1
46 STAS 4845-70 Surub M10x1,25x25 1
47 STAS 4272-70 Surub M10x1,25x35 1
48 STAS 4272-70 Surub M10x1,25x40 2
49 STAS 4272-70 Surub Mx10x1,25x45 3
50 STAS 4272-70 Surub M10x1,25x55 3
51 STAS 4845-70 Surub M8x22 3
52 NUT-RN 138 Rondela 8/15 12
53 NUT-RN 138 Rondela 10/20 11
55 STAS 4845-70 Surub M8x25 3
Coș de cumpărături
 
Start Produse Coș 0 Cont Sună
Produsul a fost adăugat în coș


Poate te-ar interesa și: