1 - BLOCUL CILINDRILOR - Catalog electronic U-650 | UTB-SHOP.RO

Catalog UTB U-650

BLOCUL CILINDRILOR

Exemple: ambreiaj/pompa/arbore/filtru/injector
Categorii catalog
ADMISIE SI EVACUARE 35 ALTERNATOR 51 ALTERNATOR - MONTAJ 11 AMBREIAJ - MONTAJ 37 ARIPI SI PODELE 12 BATERIA DE FILTRE 26 BLOCUL CILINDRILOR 86 CADRU SASIU 26 CAPAC CUTIE VITEZE 17 CAPOTAJE 52 CHIULOASA 63 COMANDA MOTOR 37 COMENZI TRACTOR 36 COMPRESOR DE AER 12 CUPLA REMORCARE AUTOMATA 28 CUREA TRANSMISIE - MONTAJ 38 CUTIA DE VITEZE 102 DEMAROR - MONTAJ 8 DEMAROR - STARTER 81 DIFERENTIAL 19 DIRECTIE - COMANDA 65 DISPOZITIV DE TRACTIUNE 13 DISPOZITIV DE TRACTIUNE 18 DISTRIBUITOR 42 DISTRIBUITOR HIDRAULIC SUPLIMENTAR 36 FAR ASIMETRIC FI 130 DREAPTA 25 FAR ASIMETRIC FI 130 STANGA 25 FILTRU ULEI 19 FRANARE PNEUMATICA 54 FRANE 23 GREUTATE SUPLIMENTARA ROATA FATA 4 GREUTATE SUPLIMENTARA ROATA SPATE 7 INJECTOR 14 INSTALATIA DE ALIMENTARE 18 INSTALATIA ELECTRICA 109 INSTALATIE HIDRAULICA -MONOBLOC 7 LAMPA FATA DR 10 LAMPA FATA STG 10 LAMPA SPATE DR 10 LAMPA SPATE STG 11 MECANISM HIDRAULIC 99 MECANISM HIDRAULIC MONOBLOC 10 MECANISM HIDRAULIC MONOBLOC1 107 OSIA DIN FATA CALE LARGA 48 PARASOLAR - MONTAJ 10 POMPA APA 7 POMPA APA SI VENTILATOR 16 POMPA DE ALIMENTARE 21 POMPA DE INJECTIE 67 POMPA HIDRAULICA 61 POMPA INJECTIE - MONTAJ 35 POMPA ULEI SI ACCESORII 37 PRIZA DE PUTERE 10 PRIZA DE PUTERE - REDUCTOR 69 PRIZA PUTERE - COMANDA 39 PROIECTOR FI 100 17 PUNTE SPATE - CAPAC 42 RADIATOR APA ULEI - MONTAJ 28 REDUCTOR PLANETAR - MONTAJ 12 REDUCTOR PLANETAR 2 88 REGULATORUL 66 REMORCARE FATA 7 ROATA FATA 19 ROATA SPATE 17 SCAUN 8 SERVODIRECTIE 79 SERVODIRECTIE - MONTAJ 20 TABLOU DE BORD 14 TRANSMISIE FINALA 28 VIBROCHEN, AMBREIAJ SI VOLANTA 27
Categorii catalog electronic
ADMISIE SI EVACUARE 35 ALTERNATOR 51 ALTERNATOR - MONTAJ 11 AMBREIAJ - MONTAJ 37 ARIPI SI PODELE 12 BATERIA DE FILTRE 26 BLOCUL CILINDRILOR 86 CADRU SASIU 26 CAPAC CUTIE VITEZE 17 CAPOTAJE 52 CHIULOASA 63 COMANDA MOTOR 37 COMENZI TRACTOR 36 COMPRESOR DE AER 12 CUPLA REMORCARE AUTOMATA 28 CUREA TRANSMISIE - MONTAJ 38 CUTIA DE VITEZE 102 DEMAROR - MONTAJ 8 DEMAROR - STARTER 81 DIFERENTIAL 19 DIRECTIE - COMANDA 65 DISPOZITIV DE TRACTIUNE 13 DISPOZITIV DE TRACTIUNE 18 DISTRIBUITOR 42 DISTRIBUITOR HIDRAULIC SUPLIMENTAR 36 FAR ASIMETRIC FI 130 DREAPTA 25 FAR ASIMETRIC FI 130 STANGA 25 FILTRU ULEI 19 FRANARE PNEUMATICA 54 FRANE 23 GREUTATE SUPLIMENTARA ROATA FATA 4 GREUTATE SUPLIMENTARA ROATA SPATE 7 INJECTOR 14 INSTALATIA DE ALIMENTARE 18 INSTALATIA ELECTRICA 109 INSTALATIE HIDRAULICA -MONOBLOC 7 LAMPA FATA DR 10 LAMPA FATA STG 10 LAMPA SPATE DR 10 LAMPA SPATE STG 11 MECANISM HIDRAULIC 99 MECANISM HIDRAULIC MONOBLOC 10 MECANISM HIDRAULIC MONOBLOC1 107 OSIA DIN FATA CALE LARGA 48 PARASOLAR - MONTAJ 10 POMPA APA 7 POMPA APA SI VENTILATOR 16 POMPA DE ALIMENTARE 21 POMPA DE INJECTIE 67 POMPA HIDRAULICA 61 POMPA INJECTIE - MONTAJ 35 POMPA ULEI SI ACCESORII 37 PRIZA DE PUTERE 10 PRIZA DE PUTERE - REDUCTOR 69 PRIZA PUTERE - COMANDA 39 PROIECTOR FI 100 17 PUNTE SPATE - CAPAC 42 RADIATOR APA ULEI - MONTAJ 28 REDUCTOR PLANETAR - MONTAJ 12 REDUCTOR PLANETAR 2 88 REGULATORUL 66 REMORCARE FATA 7 ROATA FATA 19 ROATA SPATE 17 SCAUN 8 SERVODIRECTIE 79 SERVODIRECTIE - MONTAJ 20 TABLOU DE BORD 14 TRANSMISIE FINALA 28 VIBROCHEN, AMBREIAJ SI VOLANTA 27
Toate elementele catalogului sunt protejate prin drepturi de autor. Orice copie este strict interzisa.
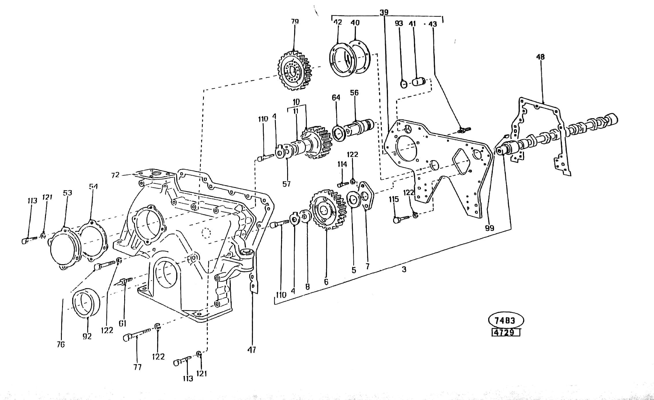
Pozitia Cod Denumire Necesar Optiuni
1 2402.01.0318 Blocul cilindrilor as. 1
1A 2402.01.0305 Blocul cilindrilor as. 1
2 2402.01.0306 Blocul cilindrilor as. 1
3 103.01.011 Arbore cu came as. 1
4 103.01.127 Rondela de asigurare 2
5 110.01.215 Inel de reazem 1
6 103.01.172 Pinion 1
7 103.01.173 Brida 1
8 103.01.175 Rondela 1
9 110.01.062 Tija impingator 8
10 118.01.022 Pinion intermediar 1
11 103.01.180 Bucsa 1
12 103.01.029 Supapa de reductie 1
13 103.01.32 Indicator de ulei 1
14 103.01.041 Capac lateral as. 1
15 103.01.238 Element filtrant 1
16 103.01.239 Capac rasuflator 1
17 115.01.036 Robinet de golire 1
18 103.01.008 Baie de ulei 1
19 103.01.090 Set cuzineti paliere 1
21 103.01.106 Camasa cillindrilor 4
22 103.01.129 Prezon 11
23 103.01.135 Prezon mic 4
24 NUT-PN 39 Inel O 60-114x4,5 8
25 103.01.143 Prezon paliere 10
26 103.01.144 Piulita 10
27 103.01.148 Stift de centrare 2
28 103.01.149 Stift de centrare 2
29 103.01.154 Placa de asigurare 4
30 103.01.268 Garnitura 2
31 103.01.272 Prezon 2
32 110.01.173 Dop conic crestat 2
33 110.01.194 Bucsa fata 1
34 110.01.195 Bucsa mijlocie 1
35 110.01.196 Bucsa spate 1
36 110.01.026 Rasuflatoare 1
39 110.01.143 Placa intermediara as. 1
40 110.01.143 Garnitura inel 1
41 110.01.175 Capac etansare 1
42 110.01.180 Inel 1
43 110.01.182 Prezon special 4
44 110.01045 Dop magnetic 1
47 103.01.108 Garnitura capac fata 1
48 103.01.110 Garnitura placii 1
49 103.01.112 Garnitura baie ulei 1
50 103.01.119 Garnitura capac lateral 1
51 110.01.222 Cot alimentare 1
52 103.01.121 Garnitura cotului 1
53 110.01.199 Capac control 1
54 110.01.200 Garnitura capac control 1
55 103.01.124 Impingator 8
56 118.01.141 Ax pinion intermediar 1
57 103.01.126 Rondela de oprire 1
58 103.01.130 Piulita 17
59 8231.00.0001 Manseta 110130013-4 speciala 1
61 103.01.136 Stift de punct mort 1
64 118.01.280 Inel de reazem 1
67 103.01.228 Saiba 17
68 103.01.242 Garnitura 1
69 110.01.111 Placa intermediara 1
70 110.01.118 Ureche 2
72 110.01.145 Capacul din fata 1
76 STAS 4272 Surub M 10x75 4
77 STAS 4272 Surub M 10x75 4
79 110.01.172 Pinion pompa 1
90 NUT-PN 152 Capac CS Fi 36 3
91 NUT-PN 18 Capac sferic CS Fi 70 1
92 STAS 7950/1 Manseta A 65x90x12/F 1
93 NUT-PN 39 Inel O 60-26,7x1,78 O-ring 1
98 NUT-PN 39 Inel O 60-44x2x3 Oring 1
99 STAS 1012 Pana disc 6x9 1
102 NUT-PN 103 Rondela 27,2/32 1
105 STAS 5200/4 Saiba 10 1
106 STAS 4071 Piulita M5 4
107 STAS 4071 Piulita M6 2
110 ISO 8676 Surub M12x1,25x30 2
112 ISO 4017 Surub M8x16 18
113 ISO 4017 Surub M8x25 10
114 ISO 4017 Surub M10x22 23
115 ISO 4017 Surub M10x25 4
116 ISO 4017 Surub M12x25 9
119 SR 7666-2 Saiba N5 4
120 - Saiba N6 2
121 - Saiba N8 28
122 - Saiba N10 35
123 - Saiba N12 9
Coș de cumpărături
 
Start Produse Coș 0 Cont Sună
Produsul a fost adăugat în coș


Poate te-ar interesa și: