25 - REDUCTOR PLANETAR 2 - Catalog electronic U-650 | UTB-SHOP.RO

Catalog UTB U-650

REDUCTOR PLANETAR 2

Exemple: ambreiaj/pompa/arbore/filtru/injector
Categorii catalog
ADMISIE SI EVACUARE 35 ALTERNATOR 51 ALTERNATOR - MONTAJ 11 AMBREIAJ - MONTAJ 37 ARIPI SI PODELE 12 BATERIA DE FILTRE 26 BLOCUL CILINDRILOR 86 CADRU SASIU 26 CAPAC CUTIE VITEZE 17 CAPOTAJE 52 CHIULOASA 63 COMANDA MOTOR 37 COMENZI TRACTOR 36 COMPRESOR DE AER 12 CUPLA REMORCARE AUTOMATA 28 CUREA TRANSMISIE - MONTAJ 38 CUTIA DE VITEZE 102 DEMAROR - MONTAJ 8 DEMAROR - STARTER 81 DIFERENTIAL 19 DIRECTIE - COMANDA 65 DISPOZITIV DE TRACTIUNE 13 DISPOZITIV DE TRACTIUNE 18 DISTRIBUITOR 42 DISTRIBUITOR HIDRAULIC SUPLIMENTAR 36 FAR ASIMETRIC FI 130 DREAPTA 25 FAR ASIMETRIC FI 130 STANGA 25 FILTRU ULEI 19 FRANARE PNEUMATICA 54 FRANE 23 GREUTATE SUPLIMENTARA ROATA FATA 4 GREUTATE SUPLIMENTARA ROATA SPATE 7 INJECTOR 14 INSTALATIA DE ALIMENTARE 18 INSTALATIA ELECTRICA 109 INSTALATIE HIDRAULICA -MONOBLOC 7 LAMPA FATA DR 10 LAMPA FATA STG 10 LAMPA SPATE DR 10 LAMPA SPATE STG 11 MECANISM HIDRAULIC 99 MECANISM HIDRAULIC MONOBLOC 10 MECANISM HIDRAULIC MONOBLOC1 107 OSIA DIN FATA CALE LARGA 48 PARASOLAR - MONTAJ 10 POMPA APA 7 POMPA APA SI VENTILATOR 16 POMPA DE ALIMENTARE 21 POMPA DE INJECTIE 67 POMPA HIDRAULICA 61 POMPA INJECTIE - MONTAJ 35 POMPA ULEI SI ACCESORII 37 PRIZA DE PUTERE 10 PRIZA DE PUTERE - REDUCTOR 69 PRIZA PUTERE - COMANDA 39 PROIECTOR FI 100 17 PUNTE SPATE - CAPAC 42 RADIATOR APA ULEI - MONTAJ 28 REDUCTOR PLANETAR - MONTAJ 12 REDUCTOR PLANETAR 2 88 REGULATORUL 66 REMORCARE FATA 7 ROATA FATA 19 ROATA SPATE 17 SCAUN 8 SERVODIRECTIE 79 SERVODIRECTIE - MONTAJ 20 TABLOU DE BORD 14 TRANSMISIE FINALA 28 VIBROCHEN, AMBREIAJ SI VOLANTA 27
Categorii catalog electronic
ADMISIE SI EVACUARE 35 ALTERNATOR 51 ALTERNATOR - MONTAJ 11 AMBREIAJ - MONTAJ 37 ARIPI SI PODELE 12 BATERIA DE FILTRE 26 BLOCUL CILINDRILOR 86 CADRU SASIU 26 CAPAC CUTIE VITEZE 17 CAPOTAJE 52 CHIULOASA 63 COMANDA MOTOR 37 COMENZI TRACTOR 36 COMPRESOR DE AER 12 CUPLA REMORCARE AUTOMATA 28 CUREA TRANSMISIE - MONTAJ 38 CUTIA DE VITEZE 102 DEMAROR - MONTAJ 8 DEMAROR - STARTER 81 DIFERENTIAL 19 DIRECTIE - COMANDA 65 DISPOZITIV DE TRACTIUNE 13 DISPOZITIV DE TRACTIUNE 18 DISTRIBUITOR 42 DISTRIBUITOR HIDRAULIC SUPLIMENTAR 36 FAR ASIMETRIC FI 130 DREAPTA 25 FAR ASIMETRIC FI 130 STANGA 25 FILTRU ULEI 19 FRANARE PNEUMATICA 54 FRANE 23 GREUTATE SUPLIMENTARA ROATA FATA 4 GREUTATE SUPLIMENTARA ROATA SPATE 7 INJECTOR 14 INSTALATIA DE ALIMENTARE 18 INSTALATIA ELECTRICA 109 INSTALATIE HIDRAULICA -MONOBLOC 7 LAMPA FATA DR 10 LAMPA FATA STG 10 LAMPA SPATE DR 10 LAMPA SPATE STG 11 MECANISM HIDRAULIC 99 MECANISM HIDRAULIC MONOBLOC 10 MECANISM HIDRAULIC MONOBLOC1 107 OSIA DIN FATA CALE LARGA 48 PARASOLAR - MONTAJ 10 POMPA APA 7 POMPA APA SI VENTILATOR 16 POMPA DE ALIMENTARE 21 POMPA DE INJECTIE 67 POMPA HIDRAULICA 61 POMPA INJECTIE - MONTAJ 35 POMPA ULEI SI ACCESORII 37 PRIZA DE PUTERE 10 PRIZA DE PUTERE - REDUCTOR 69 PRIZA PUTERE - COMANDA 39 PROIECTOR FI 100 17 PUNTE SPATE - CAPAC 42 RADIATOR APA ULEI - MONTAJ 28 REDUCTOR PLANETAR - MONTAJ 12 REDUCTOR PLANETAR 2 88 REGULATORUL 66 REMORCARE FATA 7 ROATA FATA 19 ROATA SPATE 17 SCAUN 8 SERVODIRECTIE 79 SERVODIRECTIE - MONTAJ 20 TABLOU DE BORD 14 TRANSMISIE FINALA 28 VIBROCHEN, AMBREIAJ SI VOLANTA 27
Toate elementele catalogului sunt protejate prin drepturi de autor. Orice copie este strict interzisa.
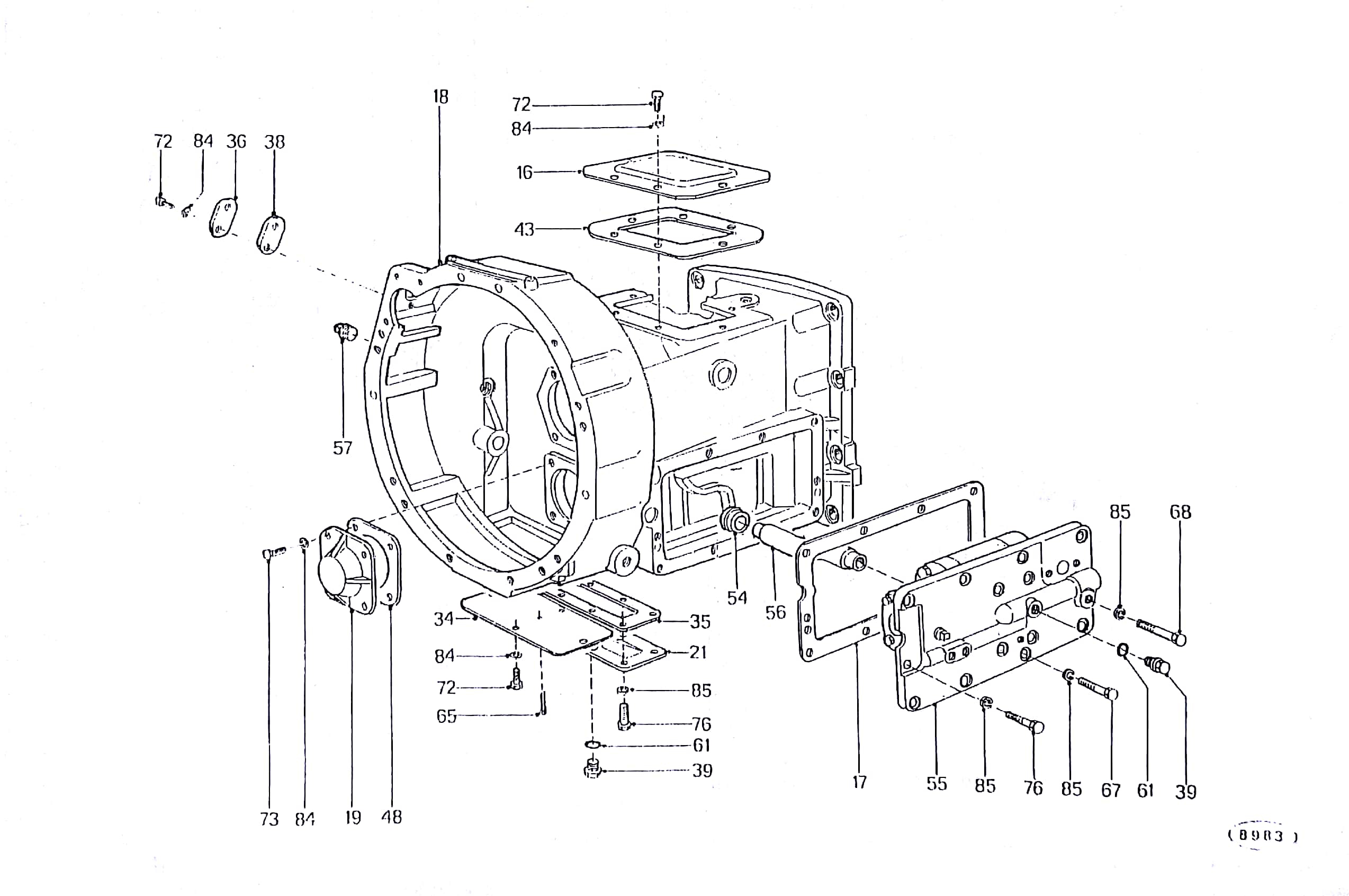
Pozitia Cod Denumire Necesar Optiuni
1 38.16.038 Reductor planetar , as 1
2 38.16.036 Arbore ambreiaj 1
3 38.16.037 Satelit reductor planetar 3
4 38.16.158 Piulita M 40x1,5 1
5 38.16.160 Saiba de siguranta 1
6 38.16.161 Placa de siguranta 4
7 38.16.222 Butucul satelitilor 1
8 31.16.233 Roata dintata z=34 1
9 31.16.234 Coroana dintata 1
10 31.16.236 Caseta reductorului planetar 1
11 31.16.246 Roata dintata z=34 1
12 31.16.303 Carcasa rulmentului spate 1
13 31.16.308 Placa laterala 6
14 31.16.333 Dop 3
15 31.16.355 Inel de siguranta pentru alezaj 60 1
16 38.16.101 Capac superior posterior 1
17 38.16.132 Garnitura 1
18 38.16.136 Carterul ambreiajului 1
19 38.16.155 Capac 1
20 38.16.157 Parghie ambreiaj principal 1
21 38.16.182 Capacul de jos spate 1
22 38.16.192 Parghia ambreiajului reductorului 1
23 31.16.016 Axul prizei de putere , as 1
24 31.16.133 Bucsa de rulare 1
25 31.16.102 Suport manson de deculpare 1
26 31.16.105 Furca ambreiajului 1
27 31.16.106 Axul parghiei 1
28 31.16.112 Inel opritor 1
29 31.16.118 Rondela de blocare 1
30 31.16.121 Arc de intindere 2
31 31.16.127 Rondela 1
32 31.16.130 Roata dintata z=38 1
33 31.16.134 Manson de cuplare 1
34 31.16.141 Capacul de jos fata 1
35 31.16.143 Garnitura 1
36 31.16.148 Capac 1
37 31.16.149 Ureche de fixare 2
38 31.16.167 Garnitura 1
39 31.16.169 Dop filetat 2
40 31.16.171 Inel opritor ulei 1
41 31.16.186 Manson de decuplare 1
42 31.16.187 Teava de ungere 1
43 31.16.190 Garnitura 1
44 31.16.228 Axul parghiei 1
45 31.16.229 Parghia cuplajului 1
46 31.16.230 Axul furcii 1
47 31.16.235 Carcasa rulmentilor 1
48 31.16.239 Garnitura 1
49 31.16.243 Pinion z=17 1
50 31.16.247 Furca cuplajului 1
51 25.16.123 Surub de blocare 1
52 31.17.151 Bulon pentru fixarea furcii 1
53 31.147.238 Arc spiral 1
54 31.33.016 Garnitura 1
56 38.33.108 Teava filtru pompa 1
57 NUT-PN 6 Dop conic cu cap patrat 1
58 NUT-PN 18 Capac sferic cs FI 36 2
59 NUT-PN 22 Ungator cu bila dr KM6 1
60 NUT-PN 39 Inel 'O' 60-114,2x3 1
61 NUT-PN 39 Inel 'O' 80-11,3x2,4 2
62 NUT-PN 39 Inel 'O' 80-17,3x2,4 1
63 NUT-PN 43 Stift de centrare FI 10x22 1
64 NUT-PN 66 Pana disc 6x11 4
65 STAS 1991 Splint 3,2x16 1
66 STAS 4071 Piulita M 8 1
67 STAS 4272 Surub M 10x35 9
68 STAS 4272 Surub M 10x50 1
69 SAS 7950/2 Manseta A 50x70x2/F 1
70 STAS 9729/2 Stift elastic G 4x30 3
71 STAS 9729/2 Stift elastic G 4x45 1
72 ISO 4017 Surub M 8x16 12
73 ISO 4017 Surub M 8x20 4
74 ISO 4017 Surub M 8x25 13
75 ISO 4017 Surub M 8x30 8
76 ISO 4017 Surub M 10x25 17
77 ISO 4017 Surub M 12x35 3
78 SR ISO 3290 100 Bila 15/32 1
79 SR 3041 Rulment 6013 65x100x18 2
80 SR 3041 Rulment 6016 80x125x22 1
81 SR 3041 Rulment 6017 85x130x22 1
82 SR 3041 Rulment 6207 35x72x17 1
83 SR 3041 Rulment 6308 40x90x23 1
84 SR 7666-2 Saiba N 8 29
85 SR 7666-2 Saiba N 10 27
86 SR 7666-2 Saiba N 12 3
87 URB Bucse cu ace colivie RHNA 506038 1
88 Nestandardizat Bucse cu ace RHNA 455538 1
89 Nestandardizat Rulment axial capsulat 551z15 75x111,3x19,1 1
Coș de cumpărături
 
Start Produse Coș 0 Cont Sună
Produsul a fost adăugat în coș


Poate te-ar interesa și: