32 - CADRU SASIU - Catalog electronic U-650 | UTB-SHOP.RO

Catalog UTB U-650

CADRU SASIU

Exemple: ambreiaj/pompa/arbore/filtru/injector
Categorii catalog
ADMISIE SI EVACUARE 35 ALTERNATOR 51 ALTERNATOR - MONTAJ 11 AMBREIAJ - MONTAJ 37 ARIPI SI PODELE 12 BATERIA DE FILTRE 26 BLOCUL CILINDRILOR 86 CADRU SASIU 26 CAPAC CUTIE VITEZE 17 CAPOTAJE 52 CHIULOASA 63 COMANDA MOTOR 37 COMENZI TRACTOR 36 COMPRESOR DE AER 12 CUPLA REMORCARE AUTOMATA 28 CUREA TRANSMISIE - MONTAJ 38 CUTIA DE VITEZE 102 DEMAROR - MONTAJ 8 DEMAROR - STARTER 81 DIFERENTIAL 19 DIRECTIE - COMANDA 65 DISPOZITIV DE TRACTIUNE 13 DISPOZITIV DE TRACTIUNE 18 DISTRIBUITOR 42 DISTRIBUITOR HIDRAULIC SUPLIMENTAR 36 FAR ASIMETRIC FI 130 DREAPTA 25 FAR ASIMETRIC FI 130 STANGA 25 FILTRU ULEI 19 FRANARE PNEUMATICA 54 FRANE 23 GREUTATE SUPLIMENTARA ROATA FATA 4 GREUTATE SUPLIMENTARA ROATA SPATE 7 INJECTOR 14 INSTALATIA DE ALIMENTARE 18 INSTALATIA ELECTRICA 109 INSTALATIE HIDRAULICA -MONOBLOC 7 LAMPA FATA DR 10 LAMPA FATA STG 10 LAMPA SPATE DR 10 LAMPA SPATE STG 11 MECANISM HIDRAULIC 99 MECANISM HIDRAULIC MONOBLOC 10 MECANISM HIDRAULIC MONOBLOC1 107 OSIA DIN FATA CALE LARGA 48 PARASOLAR - MONTAJ 10 POMPA APA 7 POMPA APA SI VENTILATOR 16 POMPA DE ALIMENTARE 21 POMPA DE INJECTIE 67 POMPA HIDRAULICA 61 POMPA INJECTIE - MONTAJ 35 POMPA ULEI SI ACCESORII 37 PRIZA DE PUTERE 10 PRIZA DE PUTERE - REDUCTOR 69 PRIZA PUTERE - COMANDA 39 PROIECTOR FI 100 17 PUNTE SPATE - CAPAC 42 RADIATOR APA ULEI - MONTAJ 28 REDUCTOR PLANETAR - MONTAJ 12 REDUCTOR PLANETAR 2 88 REGULATORUL 66 REMORCARE FATA 7 ROATA FATA 19 ROATA SPATE 17 SCAUN 8 SERVODIRECTIE 79 SERVODIRECTIE - MONTAJ 20 TABLOU DE BORD 14 TRANSMISIE FINALA 28 VIBROCHEN, AMBREIAJ SI VOLANTA 27
Categorii catalog electronic
ADMISIE SI EVACUARE 35 ALTERNATOR 51 ALTERNATOR - MONTAJ 11 AMBREIAJ - MONTAJ 37 ARIPI SI PODELE 12 BATERIA DE FILTRE 26 BLOCUL CILINDRILOR 86 CADRU SASIU 26 CAPAC CUTIE VITEZE 17 CAPOTAJE 52 CHIULOASA 63 COMANDA MOTOR 37 COMENZI TRACTOR 36 COMPRESOR DE AER 12 CUPLA REMORCARE AUTOMATA 28 CUREA TRANSMISIE - MONTAJ 38 CUTIA DE VITEZE 102 DEMAROR - MONTAJ 8 DEMAROR - STARTER 81 DIFERENTIAL 19 DIRECTIE - COMANDA 65 DISPOZITIV DE TRACTIUNE 13 DISPOZITIV DE TRACTIUNE 18 DISTRIBUITOR 42 DISTRIBUITOR HIDRAULIC SUPLIMENTAR 36 FAR ASIMETRIC FI 130 DREAPTA 25 FAR ASIMETRIC FI 130 STANGA 25 FILTRU ULEI 19 FRANARE PNEUMATICA 54 FRANE 23 GREUTATE SUPLIMENTARA ROATA FATA 4 GREUTATE SUPLIMENTARA ROATA SPATE 7 INJECTOR 14 INSTALATIA DE ALIMENTARE 18 INSTALATIA ELECTRICA 109 INSTALATIE HIDRAULICA -MONOBLOC 7 LAMPA FATA DR 10 LAMPA FATA STG 10 LAMPA SPATE DR 10 LAMPA SPATE STG 11 MECANISM HIDRAULIC 99 MECANISM HIDRAULIC MONOBLOC 10 MECANISM HIDRAULIC MONOBLOC1 107 OSIA DIN FATA CALE LARGA 48 PARASOLAR - MONTAJ 10 POMPA APA 7 POMPA APA SI VENTILATOR 16 POMPA DE ALIMENTARE 21 POMPA DE INJECTIE 67 POMPA HIDRAULICA 61 POMPA INJECTIE - MONTAJ 35 POMPA ULEI SI ACCESORII 37 PRIZA DE PUTERE 10 PRIZA DE PUTERE - REDUCTOR 69 PRIZA PUTERE - COMANDA 39 PROIECTOR FI 100 17 PUNTE SPATE - CAPAC 42 RADIATOR APA ULEI - MONTAJ 28 REDUCTOR PLANETAR - MONTAJ 12 REDUCTOR PLANETAR 2 88 REGULATORUL 66 REMORCARE FATA 7 ROATA FATA 19 ROATA SPATE 17 SCAUN 8 SERVODIRECTIE 79 SERVODIRECTIE - MONTAJ 20 TABLOU DE BORD 14 TRANSMISIE FINALA 28 VIBROCHEN, AMBREIAJ SI VOLANTA 27
Toate elementele catalogului sunt protejate prin drepturi de autor. Orice copie este strict interzisa.
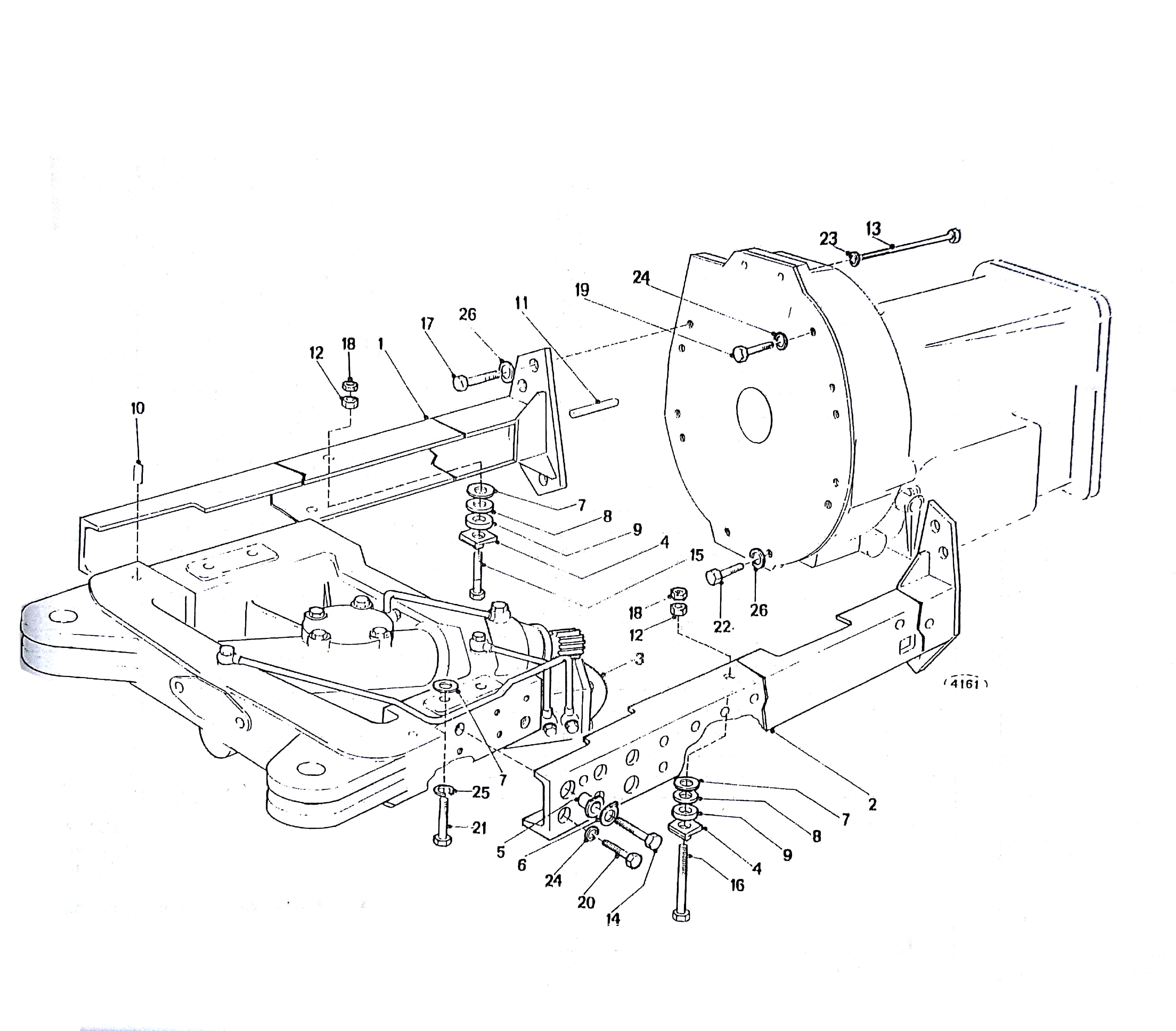
Pozitia Cod Denumire Necesar Optiuni
1 31.28.011 Longeron , dr 1
2 31.28.010 Longeron , stg 1
3 vezi 38.33.901 - B 33 Servodirectia 1
4 38.28.018 Saiba speciala 2
5 31.28.102 Bucsa de centrare 4
6 31.28.103 Saiba de siguranta 4
7 31.28.112 Rondela de reglaj 1,0 ---
8 31.28.113 Rondela de reglaj 0,5 ---
9 31.28.127 Rondela de reglaj 2,5 ---
10 38.28.101 Stift de centrare 2
11 STAS 1599 Stift B 16x60 2
12 STAS 4071 Piulita M 14x1,5 2
13 STAS 4272 Surub M 12x140 2
14 STAS 4272 Surub M 14x45 4
15 STAS 4272 Surub M 14x1,5x60 1
16 STAS 4272 Surub M 14x1,5x100 1
17 STAS 4272 Surub M 18x55 8
18 STAS 4373 Piulita M 14x1,5 2
19 STAS 4845 Surub M 14x30 1
20 STAS 4845 Surub M 14X35 8
21 TAS 4845 Surub M 16x45 4
22 STAS 4845 Surub M 18x35 2
23 SR 7666-2 Saiba N 12 2
24 SR 7666-2 Saiba N 14 9
25 SR 7666-2 Saiba N 16 4
26 SR 7666-2 Saiba N 18 10
Coș de cumpărături
 
Start Produse Coș 0 Cont Sună
Produsul a fost adăugat în coș


Poate te-ar interesa și: